Opis
Generator izolacijskih signalov sprejme napredno digitalno tehnologijo, ki jo je še vedno mogoče zanesljivo uporabiti tudi v visokozmogljivih inverterskih nadzornih sistemih. Številne napredne tehnologije, kot so digitalno uglaševanje, potenciometer brez ničle in polni potenciometer, avtomatska dinamična kalibracija ničelne točke, avtomatska kompenzacija temperaturnega premika itd., so sprejete interno, uporaba te serije tehnologij pa zagotavlja stabilnost in zanesljivost izdelkov znanstveno. zagotovljeno. Poleg tega imamo zmogljivo programsko opremo za urejanje poljubnih valov, ki lahko učinkovito izboljša vašo delovno učinkovitost.
Funkcija
Z 4--palčnim zaslonom visoke ločljivosti in 14-bitno navpično natančnostjo je Isolation Signal Generator sposoben prikazati besedilo in takojšnje slike valov, kar daje inženirjem samozavest, da ostanejo osredotočeni na svoje projekte. Drugič, uporabljamo tudi prozorno akrilno kopito, ki ima prednosti lepote in praktičnosti ter lahko zaščiti tudi telo pištole. Poleg tega imamo visoko zmogljivo baterijo, polnite enkrat, življenjska doba 24 ur.
Parameter
Pomožno napajanje | Napetost | 24 VDC |
Poraba | Manjši ali enak 2VA | |
Nadzorovani sistem | Nazivna napetost | 198...264VAC |
Nazivna frekvenca | 50 ... 60 Hz | |
Lociranje Current | <1mA vrh | |
Komunikacija | Vmesnik | Avtobus CAN |
Protokol | Protokol po meri |
● Lociranje tokovnega injektorja za sisteme za določanje napake izolacije
● Vklopite LED | |
| Dimenzija (D*Š*V) 72*74,7*85 mm DIN 35 mm DC 18~36V |
Videz
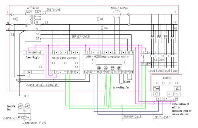
Ožičenje


Citat

Priljubljena oznake: generator izolacijskih signalov, proizvajalci, dobavitelji, tovarna izolacijskih generatorjev signalov na Kitajskem
















